Todas as categorias
Registro de Esfera para Gás PN 40 Borboleta 1/2” NPT Reta F/F MGA
43.22

Registro de Esfera para Gás PN 40 Borboleta 1/2” NPT Reta F/F MGA

SKU 0044387
R$43,22

Em até 1X de R$ 43,22

  • em até 1x de R$ 43,22 sem juros
Os valores apresentados são apenas para consulta, o valor real da parcela será exibido no fechamento do pedido.
R$ 41,06
Já com 5 % de desconto à vista no Pix ou Boleto
Disponibilidade:Em estoque
- +
Receba em casa ou Retire na loja
 
nenhum

Não devem ser utilizadas no final da linha, na instalação da válvula o único meio vedante de rosca permitido é a fita veda rosca em PTFE, e deve ser realizada com cuidado pois torques de aperto excessivos podem danificar a válvula.

Descrição do Produto

Registro de Esfera para Gás PN 40 Borboleta 1/2” NPT Reta F/F  

MGA

 

- Possui 2 anéis O’ring para vedação da haste.

- Não devem ser utilizadas no final da linha.

- Na instalação da válvula o único meio vedante de rosca permitido é a fita veda rosca em PTFE, e deve ser realizada com cuidado pois torques de aperto excessivos podem danificar a válvula.

- Válvula de bloqueio de fluxo disponível em passagem plena.

- Haste à prova de expulsão.

- Disponível com acionamento por alavanca borboleta.

 

Características Técnicas:

 

Peso

170 gramas

Polegada da bitola

1/2"

DN da bitola

15

Temperatura de serviço

- 20ºC a 80ºC

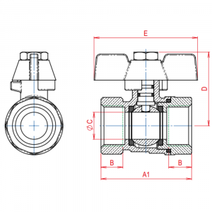
A1

58,0

A2

61,3

B

16,0

C

15,0

D

41,0

E

52,5

 

Indicado:

 

- Indicada para uso em redes de gás com aplicação a pressão máxima de 290 psi a temperatura ambiente.

 

Aplicação:

 

- Casas, imóveis públicos ou privados, restaurantes, empresas, lanchonetes, escolas, faculdades, refeitórios públicos, entre outros.

Especificações
Mais informações
MarcaMGA
EAN (Cod. Barras)3000000443873
Conteúdo da Embalagem1 Registro de Esfera para Gás PN 40 Borboleta 1/2” NPT Reta F/F MGA
Garantia (Meses)6
Largura (cm)10
Altura (cm)6.5
Comprimento (cm)10
Faça uma Pergunta

Quem viu este produto também comprou

WhatsApp Chat WhatsApp Chat